Linear stage for very high loads; DC motor; 305 mm travel range; 1500 N load capacity; 150 mm/s maximum velocity; ball screw; incremental rotary encoder, 20000 counts/rev sensor resolution, A/B quadrature, RS-422
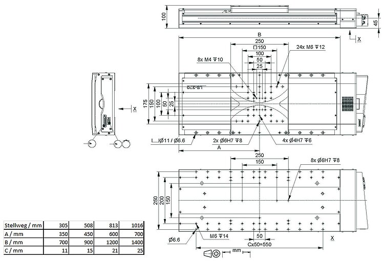
LS-270 Linear Stage for Very High Loads
Robust Design with High Stiffness
- Travel ranges from 305 to 1016 mm (12 to 40")
- Excellent travel accuracy
- Max. velocity to 150 mm/s
- Load capacity to 1500 N
- Versions with linear measuring system
Reference-class linear stage
High travel accuracy and load capacity due to crossed roller guides with long lifetime. Precision ball screw with 5 mm pitch. Stress-relieved aluminum base for highest stability. Noncontact inductive limit switches.
Drive types
- Closed-loop DC servo motor with rotary encoder on the motor shaft
- 2-phase stepper motor for high torque even at low velocities and high resolution
Versions with direct position measurement
Integrated linear encoder, mounted between the guides. Direct position measurement of the motion platform eliminates the influence of mechanical play and hysteresis in the drivetrain on the positioning precision.
Application fields
Precision positioning in industry and research, high duty cycles.
Specifications
This content is only available on tablets or desktop devices.Specifications
| Motion | 623991204 | 623991214 | 623991304 | 623991314 | 623991404 | 623991414 | 623991504 | 623992214-0001 | 623992304 | 623992314-0001 | 623992414-LS011 | Tolerance |
|---|---|---|---|---|---|---|---|---|---|---|---|---|
| Active axes | X | X | X | X | X | X | X | X | X | X | X | |
| Travel range in X | 305 mm | 305 mm | 508 mm | 508 mm | 815 mm | 815 mm | 1016 mm | 305 mm | 508 mm | 508 mm | 815 mm | |
| Maximum velocity in X, unloaded | 150 mm/s | 150 mm/s | 150 mm/s | 150 mm/s | 150 mm/s | 150 mm/s | 150 mm/s | 50 mm/s | 50 mm/s | 50 mm/s | 50 mm/s | |
| Straightness error in Y (straightness) | ± 3 µm | ± 3 µm | ± 4 µm | ± 4 µm | ± 7 µm | ± 7 µm | ± 10 µm | ± 3 µm | ± 4 µm | ± 4 µm | ± 7 µm | typ. |
| Straightness error in Z (flatness) | ± 3 µm | ± 3 µm | ± 4 µm | ± 4 µm | ± 7 µm | ± 7 µm | ± 10 µm | ± 3 µm | ± 4 µm | ± 4 µm | ± 7 µm | typ. |
| Angular error around Y (pitch) | ± 40 µrad | ± 40 µrad | ± 80 µrad | ± 80 µrad | ± 100 µrad | ± 100 µrad | ± 120 µrad | ± 40 µrad | ± 80 µrad | ± 80 µrad | ± 100 µrad | typ. |
| Angular error around Z (yaw) | ± 20 µrad | ± 20 µrad | ± 30 µrad | ± 30 µrad | ± 40 µrad | ± 40 µrad | ± 50 µrad | ± 20 µrad | ± 30 µrad | ± 30 µrad | ± 40 µrad | typ. |
| Positioning | 623991204 | 623991214 | 623991304 | 623991314 | 623991404 | 623991414 | 623991504 | 623992214-0001 | 623992304 | 623992314-0001 | 623992414-LS011 | Tolerance |
| Unidirectional repeatability in X | ± 0.25 µm | ± 0.075 µm | ± 0.25 µm | ± 0.075 µm | ± 0.25 µm | ± 0.075 µm | ± 0.25 µm | ± 0.075 µm | ± 0.2 µm | ± 0.075 µm | ± 0.075 µm | typ. |
| Bidirectional repeatability in X | 5 µm | 0.3 µm | 5 µm | 0.3 µm | 5 µm | 0.3 µm | 5 µm | 0.3 µm | 5 µm | 0.3 µm | 0.3 µm | typ. |
| Backlash in X | 5 µm | — | 5 µm | — | 5 µm | — | 5 µm | — | 5 µm | — | — | typ. |
| Limit switches | Inductive | Inductive | Inductive | Inductive | Inductive | Inductive | Inductive | Inductive | Inductive | Inductive | Inductive | |
| Integrated sensor | — | Incremental linear encoder | — | Incremental linear encoder | — | Incremental linear encoder | — | Incremental linear encoder | — | Incremental linear encoder | Incremental linear encoder | |
| Sensor signal | — | A/B quadrature, RS-422 | — | A/B quadrature, RS-422 | — | A/B quadrature, RS-422 | — | Sin/cos, 1 V peak-peak | — | Sin/cos, 1 V peak-peak | Sin/cos, 1 V peak-peak | |
| Sensor signal period | — | — | — | — | — | — | — | 20 µm | — | 20 µm | 20 µm | |
| Sensor resolution | — | 50 nm | — | 50 nm | — | 50 nm | — | 50 nm | — | 50 nm | 50 nm | |
| Motor encoder | Incremental rotary encoder | — | Incremental rotary encoder | — | Incremental rotary encoder | — | Incremental rotary encoder | — | — | — | — | |
| Motor encoder: Sensor signal | A/B quadrature, RS-422 | — | A/B quadrature, RS-422 | — | A/B quadrature, RS-422 | — | A/B quadrature, RS-422 | — | — | — | — | |
| Resolution, motor encoder | 20000 Cts./rev. | — | 20000 Cts./rev. | — | 20000 Cts./rev. | — | 20000 Cts./rev. | — | — | — | — | |
| Drive Properties | 623991204 | 623991214 | 623991304 | 623991314 | 623991404 | 623991414 | 623991504 | 623992214-0001 | 623992304 | 623992314-0001 | 623992414-LS011 | Tolerance |
| Drive type | DC motor | DC motor | DC motor | DC motor | DC motor | DC motor | DC motor | 2-phase stepper motor | 2-phase stepper motor | 2-phase stepper motor | 2-phase stepper motor | |
| Operating voltage | — | — | — | — | — | — | — | 24 V V | 24 V V | 24 V V | 24 V V | |
| Nominal voltage | 22.9 V | 22.9 V | 22.9 V | 22.9 V | 22.9 V | 22.9 V | 22.9 V | — | — | — | — | |
| Nominal current, RMS | 5.57 A | 5.57 A | 5.57 A | 5.57 A | 5.57 A | 5.57 A | 5.57 A | 2 A | 2 A | 2 A | 2 A | typ. |
| Motor resolution | — | — | — | — | — | — | — | 400 Full steps/rev. | 400 Full steps/rev. | 400 Full steps/rev. | 400 Full steps/rev. | |
| Drive force in X | 200 N | 200 N | 200 N | 200 N | 200 N | 200 N | 200 N | 260 N | 260 N | 260 N | 260 N | typ. |
| Torque constant | 0.057 N·m/A | 0.057 N·m/A | 0.057 N·m/A | 0.057 N·m/A | 0.057 N·m/A | 0.057 N·m/A | 0.057 N·m/A | — | — | — | — | typ. |
| Resistance phase-phase | 0.65 Ω | 0.65 Ω | 0.65 Ω | 0.65 Ω | 0.65 Ω | 0.65 Ω | 0.65 Ω | 1.8 Ω | 1.8 Ω | 1.8 Ω | 1.8 Ω | typ. |
| Inductance phase-phase | 0.42 mH | 0.42 mH | 0.42 mH | 0.42 mH | 0.42 mH | 0.42 mH | 0.42 mH | 3.2 mH | 3.2 mH | 3.2 mH | 3.2 mH | |
| Mechanical Properties | 623991204 | 623991214 | 623991304 | 623991314 | 623991404 | 623991414 | 623991504 | 623992214-0001 | 623992304 | 623992314-0001 | 623992414-LS011 | Tolerance |
| Stiffness in θX | 1.6 N·m/µrad | 1.6 N·m/µrad | 1.6 N·m/µrad | 1.6 N·m/µrad | 1.6 N·m/µrad | 1.6 N·m/µrad | 1.6 N·m/µrad | 1.6 N·m/µrad | 1.6 N·m/µrad | 1.6 N·m/µrad | 1.6 N·m/µrad | |
| Stiffness in θY | 3.2 N·m/µrad | 3.2 N·m/µrad | 3.2 N·m/µrad | 3.2 N·m/µrad | 3.2 N·m/µrad | 3.2 N·m/µrad | 3.2 N·m/µrad | 3.2 N·m/µrad | 3.2 N·m/µrad | 3.2 N·m/µrad | 3.2 N·m/µrad | |
| Permissible push force in Y | 1200 N | 1200 N | 1200 N | 1200 N | 1200 N | 1200 N | 1200 N | 1200 N | 1200 N | 1200 N | 1200 N | max. |
| Permissible push force in Z | 1500 N | 1500 N | 1500 N | 1500 N | 1500 N | 1500 N | 1500 N | 1500 N | 1500 N | 1500 N | 1500 N | max. |
| Permissible torque in θX | 600 N·m | 600 N·m | 600 N·m | 600 N·m | 600 N·m | 600 N·m | 600 N·m | 600 N·m | 600 N·m | 600 N·m | 600 N·m | max. |
| Permissible torque in θY | 250 N·m | 250 N·m | 250 N·m | 250 N·m | 250 N·m | 250 N·m | 250 N·m | 250 N·m | 250 N·m | 250 N·m | 250 N·m | max. |
| Permissible torque in θZ | 250 N·m | 250 N·m | 250 N·m | 250 N·m | 250 N·m | 250 N·m | 250 N·m | 250 N·m | 250 N·m | 250 N·m | 250 N·m | max. |
| Holding force in X, passive | 20 N | 20 N | 20 N | 20 N | 20 N | 20 N | 20 N | 30 N | 30 N | 30 N | 30 N | |
| Drive screw type | Ball screw | Ball screw | Ball screw | Ball screw | Ball screw | Ball screw | Ball screw | Ball screw | Ball screw | Ball screw | Ball screw | |
| Drive screw pitch | 5 mm | 5 mm | 5 mm | 5 mm | 5 mm | 5 mm | 5 mm | 5 mm | 5 mm | 5 mm | 5 mm | |
| Guide | Crossed roller guide | Crossed roller guide | Crossed roller guide | Crossed roller guide | Crossed roller guide | Crossed roller guide | Crossed roller guide | Crossed roller guide | Crossed roller guide | Crossed roller guide | Crossed roller guide | |
| Overall mass | 29000 g | 29900 g | 35000 g | 35900 g | 43000 g | 43900 g | 50000 g | 29900 g | 35000 g | 35900 g | 43900 g | |
| Material | Aluminum, black anodized | Aluminum, black anodized | Aluminum, black anodized | Aluminum, black anodized | Aluminum, black anodized | Aluminum, black anodized | Aluminum, black anodized | Aluminium, schwarz eloxiert | Aluminium, schwarz eloxiert | Aluminum, black anodized | Aluminum, black anodized | |
| Miscellaneous | 623991204 | 623991214 | 623991304 | 623991314 | 623991404 | 623991414 | 623991504 | 623992214-0001 | 623992304 | 623992314-0001 | 623992414-LS011 | Tolerance |
| Operating temperature range | 5 to 40 °C | 5 to 40 °C | 5 to 40 °C | 5 to 40 °C | 5 to 40 °C | 5 to 40 °C | 5 to 40 °C | 5 to 40 °C | 5 to 40 °C | 5 to 40 °C | 5 to 40 °C | |
| Connector | D-sub 17W2 (m) | D-sub 17W2 (m) | D-sub 17W2 (m) | D-sub 17W2 (m) | D-sub 17W2 (m) | D-sub 17W2 (m) | D-sub 17W2 (m) | D-sub 17W2 (m) | D-sub 17W2 (m) | D-sub 17W2 (m) | D-sub 17W2 (m) | |
| Sensor connector | — | D-sub 9 (m) | — | D-sub 9 (m) | — | D-sub 9 (m) | — | D-sub 9 (m) | — | D-sub 9 (m) | D-sub 9 (m) | |
| Recommended controllers/drivers | C-863 C-885 with C-863.20C885 | C-863 C-885 with C-863.20C885 | C-863 C-885 with C-863.20C885 | C-863 C-885 with C-863.20C885 | C-863 C-885 with C-863.20C885 | C-863 C-885 with C-863.20C885 | C-863 C-885 with C-863.20C885 | C-663 C-885 with C-663.12C885 | C-663 C-885 with C-663.12C885 | C-663 C-885 with C-663.12C885 | C-663 C-885 with C-663.12C885 |
At PI, technical data is specified at 22 ±3 °C. Unless otherwise stated, the values are for unloaded conditions. Some properties are interdependent. The designation "typ." indicates a statistical average for a property; it does not indicate a guaranteed value for every product supplied. During the final inspection of a product, only selected properties are analyzed, not all. Please note that some product characteristics may deteriorate with increasing operating time.
Downloads
Product Note
Product Change Notification Motor Driven Products
Documentation
PI miCos Motors & Encoders: Stepper Motors
Technical Data of 2-Phase Stepper
PI miCos Technical Data Linear and Rotary Encoders
Technical Data of Linear Encoders (LE) and Rotary Encoders (RE/AE)
User Manual LS-270
Linear Stage
User Manual LS270T0003
Lubricating Instructions for LS-270
3D Models
LS-270 3-D model
Ask for a free quote on quantities required, prices, and lead times or describe your desired modification.
Linear stage for very high loads; DC motor; 305 mm travel range; 1500 N load capacity; 150 mm/s maximum velocity; ball screw; incremental linear encoder, 50 nm sensor resolution, A/B quadrature, RS-422
Linear stage for very high loads; DC motor; 508 mm travel range; 1500 N load capacity; 150 mm/s maximum velocity; ball screw; incremental rotary encoder, 20000 counts/rev sensor resolution, A/B quadrature, RS-422
Linear stage for very high loads; DC motor; 508 mm travel range; 1500 N load capacity; 150 mm/s maximum velocity; ball screw; incremental linear encoder, 50 nm sensor resolution, A/B quadrature, RS-422
Linear stage for very high loads; DC motor; 815 mm travel range; 1500 N load capacity; 150 mm/s maximum velocity; ball screw; incremental rotary encoder, 20000 counts/rev sensor resolution, A/B quadrature, RS-422
Linear stage for very high loads; DC motor; 815 mm travel range; 1500 N load capacity; 150 mm/s maximum velocity; ball screw; incremental linear encoder, 50 nm sensor resolution, A/B quadrature, RS-422
Linear stage for very high loads; DC motor; 1016 mm travel range; 1500 N load capacity; 150 mm/s maximum velocity; ball screw; incremental rotary encoder, 20000 counts/rev sensor resolution, A/B quadrature, RS-422
Linear stage for very high loads; 2-phase stepper motor; 305 mm travel range; 1500 N load capacity; 50 mm/s maximum velocity; ball screw; incremental linear encoder, 20 µm sensor sensor signal period, sin/cos, 1 V peak-peak
Linear stage for very high loads; 2-phase stepper motor; 508 mm travel range; 1500 N load capacity; 50 mm/s maximum velocity; ball screw
Linear stage for very high loads; 2-phase stepper motor; 508 mm travel range; 1500 N load capacity; 50 mm/s maximum velocity; ball screw; incremental linear encoder, 20 µm sensor sensor signal period, sin/cos, 1 V peak-peak
Linear stage for very high loads; 2-phase stepper motor; 815 mm travel range; 1500 N load capacity; 50 mm/s maximum velocity; ball screw; incremental linear encoder, 20 µm sensor sensor signal period, sin/cos, 1 V peak-peak
How to Get a Quote
Ask an engineer!
Quickly receive an answer to your question by email or phone from a local PI sales engineer.












