PIHera precision linear nanopositioner, 60 µm, without sensor, LEMO connector
P-620.1 • P-629.1 PIHera Linear Precision Positioner
Variable Travel Ranges and Axis Configuration
- Travel ranges 50 to 1800 µm
- Resolution to 0.1 nm
- Linearity error 0.02 %
- X, XY, Z versions; XYZ combination possible





Application fields
- Interferometry
- Microscopy
- Nanopositioning
- Biotechnology
- Test applications
- Semiconductor technology
- Photonics
- Fiber positioning
Outstanding lifetime due to PICMA® piezo actuators
The PICMA® piezo actuators are all-ceramic insulated. This protects them against humidity and failure resulting from an increase in leakage current. PICMA® actuators offer an up to ten times longer lifetime than conventional polymer-insulated actuators. 100 billion cycles without a single failure are proven.
Subnanometer resolution with capacitive sensors
Capacitive sensors measure with subnanometer resolution without contacting. They guarantee excellent linearity of motion, long-term stability, and a bandwidth in the kHz range.
High guiding accuracy due to zero-play flexure guides
Flexure guides are free of maintenance, friction, and wear, and do not require lubrication. Their stiffness allows high load capacity and they are insensitive to shock and vibration. They work in a wide temperature range.
Maximum accuracy due to direct position measuring
Motion is measured directly at the motion platform without any influence from the drive or guide elements. This allows optimal repeatability, outstanding stability, and stiff, fast-responding control.
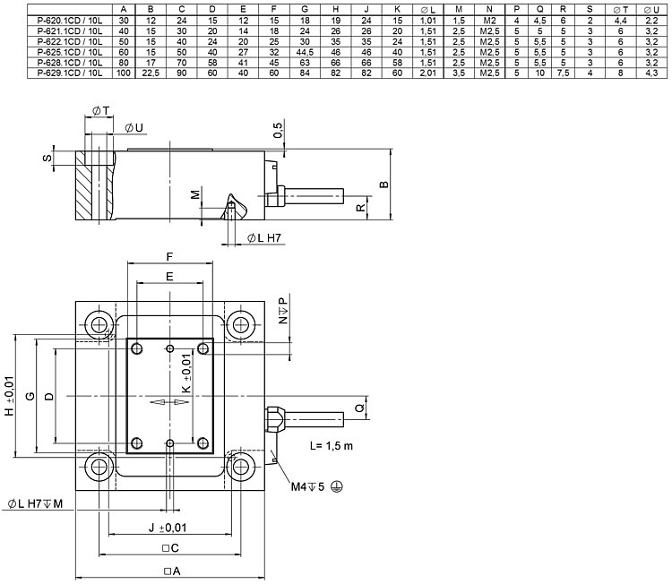
Specifications
Specifications
| Motion | P-620.10L | P-620.1CD | P-620.1CL | P-621.10L | P-621.1CD | P-621.1CL | P-622.10L | P-622.1CD | P-622.1CL | P-625.10L | P-625.1CD | P-625.1CL | P-628.10L | P-628.1CD | P-628.1CL | P-629.10L | P-629.1CD | P-629.1CL | Tolerance |
|---|---|---|---|---|---|---|---|---|---|---|---|---|---|---|---|---|---|---|---|
| Active axes | X | X | X | X | X | X | X | X | X | X | X | X | X | X | X | X | X | X | |
| Travel range in X, open loop | 60 µm | 60 µm | 60 µm | 120 µm | 120 µm | 120 µm | 300 µm | 300 µm | 300 µm | 600 µm | 600 µm | 600 µm | 950 µm | 950 µm | 950 µm | 1800 µm | 1800 µm | 1800 µm | ±20 % |
| Pitch (Rotational crosstalk in θY with motion in X) | ± 3 µrad | ± 3 µrad | ± 3 µrad | ± 3 µrad | ± 3 µrad | ± 3 µrad | ± 3 µrad | ± 3 µrad | ± 3 µrad | ± 6 µrad | ± 6 µrad | ± 6 µrad | ± 6 µrad | ± 6 µrad | ± 6 µrad | ± 30 µrad | ± 30 µrad | ± 30 µrad | typ. |
| Yaw (Rotational crosstalk in θZ with motion in X) | ± 3 µrad | ± 3 µrad | ± 3 µrad | ± 3 µrad | ± 3 µrad | ± 3 µrad | ± 3 µrad | ± 3 µrad | ± 3 µrad | ± 6 µrad | ± 6 µrad | ± 6 µrad | ± 6 µrad | ± 6 µrad | ± 6 µrad | ± 10 µrad | ± 10 µrad | ± 10 µrad | typ. |
| Travel range in X | 50 µm | 50 µm | 100 µm | 100 µm | 250 µm | 250 µm | 500 µm | 500 µm | 800 µm | 800 µm | 1500 µm | 1500 µm | |||||||
| Linearity error in X | 0.02 % | 0.02 % | 0.02 % | 0.02 % | 0.02 % | 0.02 % | 0.03 % | 0.03 % | 0.03 % | 0.03 % | 0.03 % | 0.03 % | typ. | ||||||
| Positioning | P-620.10L | P-620.1CD | P-620.1CL | P-621.10L | P-621.1CD | P-621.1CL | P-622.10L | P-622.1CD | P-622.1CL | P-625.10L | P-625.1CD | P-625.1CL | P-628.10L | P-628.1CD | P-628.1CL | P-629.10L | P-629.1CD | P-629.1CL | Tolerance |
| Resolution in X, open loop | 0.1 nm | 0.1 nm | 0.1 nm | 0.2 nm | 0.2 nm | 0.2 nm | 0.4 nm | 0.4 nm | 0.4 nm | 0.5 nm | 0.5 nm | 0.5 nm | 0.5 nm | 0.5 nm | 0.5 nm | 2 nm | 2 nm | 2 nm | typ. |
| Bidirectional repeatability in X | 1 nm | 1 nm | 1 nm | 1 nm | 1 nm | 1 nm | 5 nm | 5 nm | 10 nm | 10 nm | 14 nm | 14 nm | typ. | ||||||
| Integrated sensor | Capacitive, direct position measuring | Capacitive, direct position measuring | Capacitive, direct position measuring | Capacitive, direct position measuring | Capacitive, direct position measuring | Capacitive, direct position measuring | Capacitive, direct position measuring | Capacitive, direct position measuring | Capacitive, direct position measuring | Capacitive, direct position measuring | Capacitive, direct position measuring | Capacitive, direct position measuring | |||||||
| System resolution in X | 0.2 nm | 0.2 nm | 0.4 nm | 0.4 nm | 0.7 nm | 0.7 nm | 1.4 nm | 1.4 nm | 1.8 nm | 1.8 nm | 3 nm | 3 nm | |||||||
| Drive Properties | P-620.10L | P-620.1CD | P-620.1CL | P-621.10L | P-621.1CD | P-621.1CL | P-622.10L | P-622.1CD | P-622.1CL | P-625.10L | P-625.1CD | P-625.1CL | P-628.10L | P-628.1CD | P-628.1CL | P-629.10L | P-629.1CD | P-629.1CL | Tolerance |
| Drive type | PICMA® | PICMA® | PICMA® | PICMA® | PICMA® | PICMA® | PICMA® | PICMA® | PICMA® | PICMA® | PICMA® | PICMA® | PICMA® | PICMA® | PICMA® | PICMA® | PICMA® | PICMA® | |
| Maximum power consumption | 3 W | 3 W | 3 W | 9 W | 9 W | 9 W | 9 W | 9 W | 9 W | 10 W | 10 W | 10 W | 18 W | 18 W | 18 W | 49 W | 49 W | 49 W | |
| Electrical capacitance in X | 0.35 µF | 0.35 µF | 0.35 µF | 1.5 µF | 1.5 µF | 1.5 µF | 3.1 µF | 3.1 µF | 3.1 µF | 6.2 µF | 6.2 µF | 6.2 µF | 19 µF | 19 µF | 19 µF | 52 µF | 52 µF | 52 µF | ±20 % |
| Short-term maximum operating frequency | 367 Hz | 367 Hz | 367 Hz | 267 Hz | 267 Hz | 267 Hz | 133 Hz | 133 Hz | 133 Hz | 72 Hz | 72 Hz | 72 Hz | 42 Hz | 42 Hz | 42 Hz | 42 Hz | 42 Hz | 42 Hz | |
| Mechanical Properties | P-620.10L | P-620.1CD | P-620.1CL | P-621.10L | P-621.1CD | P-621.1CL | P-622.10L | P-622.1CD | P-622.1CL | P-625.10L | P-625.1CD | P-625.1CL | P-628.10L | P-628.1CD | P-628.1CL | P-629.10L | P-629.1CD | P-629.1CL | Tolerance |
| Stiffness in X | 0.42 N/µm | 0.42 N/µm | 0.42 N/µm | 0.35 N/µm | 0.35 N/µm | 0.35 N/µm | 0.2 N/µm | 0.2 N/µm | 0.2 N/µm | 0.1 N/µm | 0.1 N/µm | 0.1 N/µm | 0.12 N/µm | 0.12 N/µm | 0.12 N/µm | 0.13 N/µm | 0.13 N/µm | 0.13 N/µm | ±20 % |
| Resonant frequency in X, unloaded | 1100 Hz | 1100 Hz | 1100 Hz | 800 Hz | 800 Hz | 800 Hz | 400 Hz | 400 Hz | 400 Hz | 215 Hz | 215 Hz | 215 Hz | 125 Hz | 125 Hz | 125 Hz | 125 Hz | 125 Hz | 125 Hz | ±20 % |
| Resonant frequency in X, under load with 20 g | 550 Hz | 550 Hz | 550 Hz | 520 Hz | 520 Hz | 520 Hz | 340 Hz | 340 Hz | 340 Hz | 180 Hz | 180 Hz | 180 Hz | 115 Hz | 115 Hz | 115 Hz | 120 Hz | 120 Hz | 120 Hz | ±20 % |
| Resonant frequency in X, under load with 120 g | 260 Hz | 260 Hz | 260 Hz | 240 Hz | 240 Hz | 240 Hz | 185 Hz | 185 Hz | 185 Hz | 110 Hz | 110 Hz | 110 Hz | 90 Hz | 90 Hz | 90 Hz | 110 Hz | 110 Hz | 110 Hz | ±20 % |
| Permissible push force in X | 10 N | 10 N | 10 N | 10 N | 10 N | 10 N | 10 N | 10 N | 10 N | 10 N | 10 N | 10 N | 10 N | 10 N | 10 N | 10 N | 10 N | 10 N | max. |
| Permissible push force in Y | 10 N | 10 N | 10 N | 10 N | 10 N | 10 N | 10 N | 10 N | 10 N | 10 N | 10 N | 10 N | 10 N | 10 N | 10 N | 8 N | 8 N | 8 N | max. |
| Permissible push force in Z | 10 N | 10 N | 10 N | 10 N | 10 N | 10 N | 10 N | 10 N | 10 N | 10 N | 10 N | 10 N | 10 N | 10 N | 10 N | 10 N | 10 N | 10 N | max. |
| Permissible pull force in X | 10 N | 10 N | 10 N | 10 N | 10 N | 10 N | 10 N | 10 N | 10 N | 10 N | 10 N | 10 N | 10 N | 10 N | 10 N | 10 N | 10 N | 10 N | max. |
| Guide | Flexure guide with lever amplification | Flexure guide with lever amplification | Flexure guide with lever amplification | Flexure guide with lever amplification | Flexure guide with lever amplification | Flexure guide with lever amplification | Flexure guide with lever amplification | Flexure guide with lever amplification | Flexure guide with lever amplification | Flexure guide with lever amplification | Flexure guide with lever amplification | Flexure guide with lever amplification | Flexure guide with lever amplification | Flexure guide with lever amplification | Flexure guide with lever amplification | Flexure guide with lever amplification | Flexure guide with lever amplification | Flexure guide with lever amplification | |
| Overall mass | 110 g | 110 g | 110 g | 160 g | 160 g | 160 g | 200 g | 200 g | 200 g | 240 g | 240 g | 240 g | 380 g | 380 g | 380 g | 720 g | 720 g | 720 g | |
| Material | Aluminum | Aluminum | Aluminum | Aluminum | Aluminum | Aluminum | Aluminum | Aluminum | Aluminum | Aluminum | Aluminum | Aluminum | Aluminum | Aluminum | Aluminum | Aluminum | Aluminum | Aluminum | |
| Miscellaneous | P-620.10L | P-620.1CD | P-620.1CL | P-621.10L | P-621.1CD | P-621.1CL | P-622.10L | P-622.1CD | P-622.1CL | P-625.10L | P-625.1CD | P-625.1CL | P-628.10L | P-628.1CD | P-628.1CL | P-629.10L | P-629.1CD | P-629.1CL | Tolerance |
| Operating temperature range | -20 to 150 °C | -20 to 80 °C | -20 to 80 °C | -20 to 150 °C | -20 to 80 °C | -20 to 80 °C | -20 to 150 °C | -20 to 80 °C | -20 to 80 °C | -20 to 150 °C | -20 to 80 °C | -20 to 80 °C | -20 to 150 °C | -20 to 80 °C | -20 to 80 °C | -20 to 150 °C | -20 to 80 °C | -20 to 80 °C | |
| Connector | LEMO LVPZT | D-sub 7W2 (m) | LEMO LVPZT | LEMO LVPZT | D-sub 7W2 (m) | LEMO LVPZT | LEMO LVPZT | D-sub 7W2 (m) | LEMO LVPZT | LEMO LVPZT | D-sub 7W2 (m) | LEMO LVPZT | LEMO LVPZT | D-sub 7W2 (m) | LEMO LVPZT | LEMO LVPZT | D-sub 7W2 (m) | LEMO LVPZT | |
| Cable length | 1.5 m | 1.5 m | 1.5 m | 1.5 m | 1.5 m | 1.5 m | 1.5 m | 1.5 m | 1.5 m | 1.5 m | 1.5 m | 1.5 m | 1.5 m | 1.5 m | 1.5 m | 1.5 m | 1.5 m | 1.5 m | |
| Recommended controllers / drivers | E-503, E-505, E-610, E-665 | E-503, E-505, E-610, E-621, E-625, E-709.1C1L, E-754 | E-503, E-505, E-610, E-621, E-625, E-709.1C1L, E-754 | E-503, E-505, E-610, E-665 | E-503, E-505, E-610, E-621, E-625, E-709.1C1L, E-754 | E-503, E-505, E-610, E-621, E-625, E-709.1C1L, E-754 | E-503, E-505, E-610, E-665 | E-503, E-505, E-610, E-621, E-625, E-709.1C1L, E-754 | E-503, E-505, E-610, E-621, E-625, E-709.1C1L, E-754 | E-503, E-505, E-610, E-665 | E-503, E-505, E-610, E-621, E-625, E-709.1C1L, E-754 | E-503, E-505, E-610, E-621, E-625, E-709.1C1L, E-754 | E-503, E-505, E-610, E-665 | E-503, E-505, E-610, E-621, E-625, E-709.1C1L, E-754 | E-503, E-505, E-610, E-621, E-625, E-709.1C1L, E-754 | E-503, E-505, E-610, E-665 | E-503, E-505, E-610, E-621, E-625, E-709.1C1L, E-754 | E-503, E-505, E-610, E-621, E-625, E-709.1C1L, E-754 | |
| Sensor connector | LEMO for capacitive sensors | LEMO for capacitive sensors | LEMO for capacitive sensors | LEMO for capacitive sensors | LEMO for capacitive sensors | LEMO for capacitive sensors |
P-628.1CD / P-628.1CL: Linearity error in X (typ.) 0.03 % with digital controller. With analog controllers 0.05 %.
P-629.1CD / P-629.1CL: Linearity error in X (typ.) 0.03 % with digital controller. With analog controllers 0.08 %.
The resolution of the system is limited only by the noise of the amplifier and the measuring technology because PI piezo nanopositioning systems are free of friction.
Vacuum versions to 10-9 hPa are available under the P-62x.1U order numbers.
All specifications based on room temperature (22 °C ±3 °C).
Downloads
Product Note
Product Change Notification Piezo Actuator Driven Products
Datasheet
Documentation
User Manual PZ234
P-620, P-621, P-622, P-625, P-628, P-629 PIHera Piezo Stages with Capacitive Sensors
3D Models
P-62x.1 STEP
Quote / Order
Ask for a free quote on quantities required, prices, and lead times or describe your desired modification.
PIHera precision linear nanopositioner, 50 µm, direct position measuring, capacitive sensor, D-sub connector
PIHera precision linear nanopositioner, 50 µm, direct position measuring, capacitive sensor, LEMO connectors
PIHera precision linear nanopositioner, 120 µm, without sensor, LEMO connector
PIHera precision linear nanopositioner, 100 µm, direct position measuring, capacitive sensor, D-sub connector
PIHera precision linear nanopositioner, 100 µm, direct position measuring, capacitive sensor, LEMO connectors
PIHera precision linear nanopositioner, 300 µm, without sensor, LEMO connector
PIHera precision linear nanopositioner, 250 µm, direct position measuring, capacitive sensor, D-sub connector
PIHera precision linear nanopositioner, 250 µm, direct position measuring, capacitive sensor, LEMO connectors
PIHera precision linear nanopositioner, 600 µm, without sensor, LEMO connector
PIHera precision linear nanopositioner, 500 µm, direct position measuring, capacitive sensor, D-sub connector
PIHera precision linear nanopositioner, 500 µm, direct position measuring, capacitive sensor, LEMO connectors
PIHera precision linear nanopositioner, 950 µm, without sensor, LEMO connector
PIHera precision linear nanopositioner, 800 µm, direct position measuring, capacitive sensor, D-sub connector
PIHera precision linear nanopositioner, 800 µm, direct position measuring, capacitive sensor, LEMO connectors
PIHera precision linear nanopositioner, 1800 µm, without sensor, LEMO connector
PIHera precision linear nanopositioner, 1500 µm, direct position measuring, capacitive sensor, D-sub connector
PIHera precision linear nanopositioner, 1500 µm, direct position measuring, capacitive sensor, LEMO connectors
Come Ricevere un’Offerta
Chiedi ad un Ingegnere!
Ricevere rapidamente una risposta alla tua risposta via email o telefono da un Sales Engineer dalla sede PI più vicina a te.
Tecnologia

Tecnologia PICMA®
Elevata affidabilità e lunga durata attraverso il processo di produzione brevettato per attuatori multistrato.

Sistemi con Guida a Flessione
Le Guide a Flessione realizzate da PI hanno dimostrato i loro punti di forza nei nanoposizionatori. Guidano l'attuatore piezoelettrico e garantiscono un movimento rettilineo senza inclinazione o spostamento laterale.

Sensori Capacitivi
I sensori capacitivi sono il sistema metrologico prescelto per le applicazioni più esigenti di nanoposizionamento.

Vuoto
Gestione attenta, locali adeguati: PI non solo ha le attrezzature necessarie per la qualificazione dei materiali, dei componenti e dei prodotti finiti, ma vanta anche molti anni di esperienza per quanto riguarda sistemi di posizionamento in HV e UHV.






















