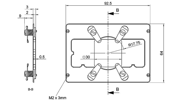
P-545.PD3 Petri Dish Holder

35 mm, for PInano® Piezo Stages

P-545.PD3 Petri Dish Holder
Product Description Downloads Quote / Order

Downloads

Datasheet

Datasheet

Datasheet P-545.PD3

Version / Date
2015-05-19
pdf - 700 KB
Version / Date
2015-05-19
pdf - 695 KB

3D Models

3D Models

3-D-model P-545.xxx

zip - 2 MB

Brochure

Brochure

Microscope Stage Configurator

Sample Stages and Holders for Inverted Microscopes

Version / Date
BRO70E
pdf - 3 MB
English

Quote / Order

Ask for a free quote on quantities required, prices, and lead times or describe your desired modification.

How to Get a Quote

Click on QUOTE / ORDER
Add variant to quote list
Fill out quote form
Send price request to PI
We will contact you shortly

Ask an engineer!

Quickly receive an answer to your question by email or phone from a local PI sales engineer.

Compatible Products Related Accessories