NEXACT® OEM miniature linear motor / actuator; NEXACT® piezo walking drive; 20 mm travel range; 10 N drive force; 10 mm/s maximum velocity; 1.5 m cable length
N-310 NEXACT® OEM Miniature Linear Motor / Actuator
Compact, Fast, with Long Travel Range, PiezoWalk® Principle
- Travel range 20 mm
- Compact in size, inexpensive design
- Resolution to 0.03 nm
- Drive force up to 10 N
Nanometer precision and high feed force with PiezoWalk® walking drives
In the PiezoWalk® walking drive, several piezo actuators do a walking motion that leads to a forward feed of a runner. Control of the actuators allows the smallest step and forward feed motion at a resolution of well under one nanometer.
Highly accurate position measuring with incremental linear encoder
Noncontact optical linear encoders measure the position directly at the platform with the greatest accuracy. Nonlinearity, mechanical play or elastic deformation have no influence on the measurement.
Application fields
- Industrial precision positioning
- Semiconductor technology
- Semiconductor tests
- Wafer inspection
- Lithography
- Nanoimprinting
- Nanometrology
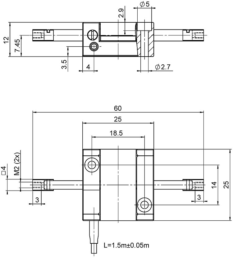
Specifications
Specifications
| Motion | N-310.11 | Tolerance |
|---|---|---|
| Active axes | X | |
| Travel range in X | 20 mm | |
| Travel range in X (analog mode) | 10 µm | max. |
| Maximum velocity in X, unloaded | 10 mm/s | |
| Positioning | N-310.11 | Tolerance |
| Step size in full step mode | 10 µm | |
| Resolution in X, open loop | 0.03 nm | typ. |
| Drive Properties | N-310.11 | Tolerance |
| Drive type | NEXACT® piezo walking drive | |
| Operating voltage | -10 to +45 V | |
| Drive force in X | 10 N | typ. |
| Mechanical Properties | N-310.11 | Tolerance |
| Holding force in X, passive | 12 N | max. |
| Overall mass | 50 g | ±5 % |
| Material | Stainless steel, ceramic; cable: PFA, PTFE | |
| Miscellaneous | N-310.11 | Tolerance |
| Operating temperature range | 0 to 50 °C | |
| Connector | HD D-sub 15 (m) | |
| Cable length | 1.5 m | ±50 mm |
| Recommended controllers / drivers | E-712, E-861, E-861.11C885 |
Maximum velocity in X, unloaded: depending on the drive electronics
Resolution in X, open loop: depending on the drive electronics
At PI, technical data is specified at 22 ±3 °C. Unless otherwise stated, the values are for unloaded conditions. Some properties are interdependent. The designation "typ." indicates a statistical average for a property; it does not indicate a guaranteed value for every product supplied. During the final inspection of a product, only selected properties are analyzed, not all. Please note that some product characteristics may deteriorate with increasing operating time.
Downloads
Product Note
Product Change Notification N-310.XX-N-47X.XX
Datasheet
Documentation
User Manual N310T0012
N-310 NEXACT® OEM Miniature Linear Drive
3D Models
N-310.11 3D Model
Ask for a free quote on quantities required, prices, and lead times or describe your desired modification.
How to Get a Quote
Ask an engineer!
Quickly receive an answer to your question by email or phone from a local PI sales engineer.
Technology

PiezoWalk® Walking Drives
PiezoWalk® drives were developed more than 10 years ago for the semiconductor industry, a demanding industry when it comes to reliability, position resolution and long-term stability.

Vacuum
Careful handling, adequate premises: PI does not only have the necessary equipment for the qualification of materials, components and final products, but also has many years of experience with regard to HV und UHV positioning systems.

Incremental Sensors
PI uses incremental measurement systems for longer travel ranges, starting from approximately one millimeter. These sensors, which in most cases are optical sensors, achieve position resolution down to the picometer range.

Hexapods and SpaceFAB
Hexapods are systems for moving and positioning loads in six degrees of freedom, in three translational and three rotational axes.












