P-725KHDS PIFOC® Objective Scanner with High Dynamics
Nanometer Resolution for Heavy Objectives
- Travel range 400 µm
- Resonant frequency 120 Hz, with 400 g load
- Step-and-settle 20 ms, with 400 g load
- QuickLock thread adapters up to M32
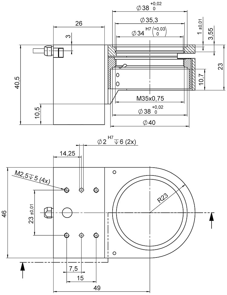
PIFOC objective scanner
1 axis. Frictionless flexure-guided design. Capacitive position sensor for maximum stability and linearity. QuickLock adapter for easy attachment.
PICMA® high-performance piezo drive
Piezo ceramic actuators with all-ceramic insulation. Longer lifetime, humidity resistance and operating temperatures to 80 °C.
Application fields
Microscopy, confocal microscopy, 3D imaging, screening, autofocus systems, surface analysis. Ideal for multiphoton microscopy due to high dynamics at heavy loads.
Specifications
Specifications
P-725KHDS | Unit | |
|---|---|---|
Active axes | Z | |
Motion and positioning | ||
Integrated sensor | Capacitive | |
Closed-loop travel | 400 | µm |
Closed-loop resolution | 2.5 | nm |
Linearity error | 0.06 | % |
Mechanical properties | ||
Stiffness | 0.35 | N/µm |
Unloaded resonant frequency | 340 | Hz |
Loaded resonant frequency, 100 g | 230 | Hz |
Loaded resonant frequency, 400 g | 120 | Hz |
Load capacity | 10 | N |
Drive properties | ||
Piezo ceramic | PICMA® P-887 | |
Electrical capacitance | 12.8 | µF |
Miscellaneous | ||
Operating temperature range | 10 to 50 | °C |
Material | Aluminum | |
Cable length | 1.5 | m |
Connector | D-sub 7W2 | |
Recommended electronics | E-709.CHG |
Quote / Order
Ask for a free quote on quantities required, prices, and lead times or describe your desired modification.
Come Ricevere un’Offerta
Chiedi ad un Ingegnere!
Ricevere rapidamente una risposta alla tua risposta via email o telefono da un Sales Engineer dalla sede PI più vicina a te.




